BK series control transformers (hereinafter referred to as transformers) are suitable for circuits with voltages up to 500V and frequencies of 50~60Hz. They are usually used as power sources for machine tool control electrical equipment, local lighting, and indicator lights.
The BK series machine tool control transformers can be divided into enclosed types based on their structure and vertical types based on their installation methods.

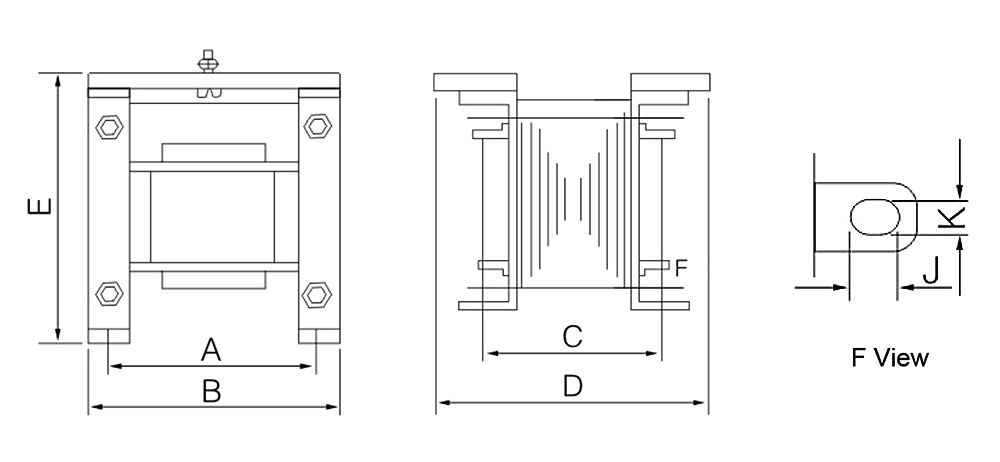
| Model |
External Dimensions B×D×E (mm) |
Mounting Hole Spacing A×C (mm) |
Mounting Holes K×J (mm) |
| BK-50VA | 78×66×90 | 56×48 | 5×12 |
| BK-100VA | 84×78×93 | 65×62 | 6×12 |
| BK-150VA | 102×88×110 | 76×68 | 6×12 |
| BK-200VA | 102×95×110 | 76×74 | 9×11.5 |
| BK-250VA | 114×110×120 | 90×80 | 9×11.5 |
| BK-300VA | 114×120×120 | 90×85 | 9×11.5 |
| BK-400VA | 133×100×140 | 100×90 | 9×11.5 |
| BK-500VA | 133×110×140 | 100×95 | 9×11.5 |
| BK-700VA | 133×120×140 | 100×105 | 9×11.5 |
| BK-1000VA | 150×140×160 | 123×117 | 9×11.5 |
| BK-1500VA | 180×170×190 | 130×130 | 9×11.5 |
| BK-2000VA | 180×190×190 | 130×150 | 9×11.5 |
| BK-3000VA | 195×210×200 | 140×173 | |
| BK-4000VA | 240×210×240 | 178×162 | |
| BK-5000VA | 240×230×240 | 178×172 | |
| BK-8000VA | 300×300×320 | 250×170 | |
| BK-10KVA | 300×330×320 | 250×160 | |
| BK-15KVA | 300×360×320 | 250×200 | |
| BK-20KVA | 360×360×380 | 300×210 |